產品介紹
咨詢服務熱線:13957717877
產品概述
資料下載
相關產品
相關資訊


為何選擇GRT6-N擴展多功能型時間繼電器? |
GRT6-N時間繼電器以?多功能、高可靠性、靈活配置?為核心,突破傳統時間控制器的 功能限制,滿足工業與民用領域對時序控制的嚴苛需求。其模塊化設計、直觀操作界面 與廣泛兼容性,可無縫集成至新老系統,為用戶提供高效、經濟且長期穩定的時間管理 解決方案。無論是精密制造、智能建筑還是能源管理,GRT6-N均能成為提升自動化水平 的可靠伙伴。 |
GRT6-N擴展多功能型時間繼電器產品特點: |
1、?10種延時模式,靈活適配場景? GRT6-N提供2種電源控制延時模式與8種信號控制延時模式,支持包括通電延時、斷 電延時、循環觸發、脈沖觸發等多樣化控制邏輯。用戶可根據不同設備啟停邏輯、工藝 流程需求快速切換模式,輕松實現復雜時序控制。 |
2、?超寬延時范圍,覆蓋0.1秒至10天? 時間設定范圍橫跨10個檔位,從精準的0.1秒短時控制到長達10天的超長周期任務均可 精準執行,適用于需高頻率動作的工業設備(如電機啟停)或需周期性管理的場景(如照 明系統定時開關)。 |
3、?AC/DC 24V-240V超寬電壓兼容? 支持交直流24V至240V寬電壓輸入,適配全球主流電氣標準,可直接接入PLC系統、 控制柜或獨立供電環境,減少額外電源適配成本,提升系統集成便捷性。 |
4、?狀態可視化管理,運行一目了然? 內置高亮度LED指示燈,實時顯示繼電器工作狀態(如通電、延時中、動作完成等), 便于快速排查故障、優化設備維護效率。 |
5、?超小體積設計,節省安裝空間? 僅18mm寬度機身,支持35mm標準DIN導軌安裝,大幅節約控制柜內空間,尤其適 合高密度布線場景,如智能樓宇電控箱、緊湊型工業設備控制面板等。 |
GRT6-N擴展多功能型時間繼電器產品應用: |
1、?工業設備控制?:用于電機順序啟動、風機間歇運行、傳送帶分時啟停等自動化流程, 保障設備安全并降低能耗。 |
2、?照明系統管理?:實現道路、廠房、景觀照明的定時開關或調光控制,提升能源利用率。 |
3、?加熱元件調控?:精準控制烤箱、熔爐、恒溫設備的加熱時長與間隔,優化工藝穩定性。 |
4、?風機與泵類設備?:通過循環模式設定啟停周期,延長設備壽命并避免過載運行。 |
5、?安防與能源管理?:聯動門禁系統、通風設備或空調機組,執行周期性任務或應急響應。 |

GRT6-N擴展多功能型時間繼電器型號說明: |

GRT6-N擴展多功能型時間繼電器技術參數: |
| 型號 | GRT6-N1 | GRT6-N2 |
| 功能 | A,As,Aw,B,Bs,Bw,Cs,Ds,Fe,Js | |
| 電源端子 | A1-A2 | |
| 額定控制電源電壓 | AC/DC 24-240V 50Hz | |
| 消耗功率 | AC 0.09-3VA/DC 0.05-1.7W | |
| 額定控制電源電壓 | AC 220V50Hz | |
| 消耗功率 | AC max.6VA/1.3W | AC max.6VA/1.9W |
| 電源允許波動范圍 | -15%;+10% | |
| 額定沖擊耐受電壓 | 2.5kV | |
| 額定絕緣電壓 | 250V | |
| 電源指示燈 | 綠色LED | |
| 延時范圍 | 0.1秒-10天,常開,常閉 | |
| 設定方式 | 旋鈕 | |
| 設定精度 | 10% | |
| 重復精度 | 0.20% | |
| 溫度波動誤差 | 0.05%/℃ | |
| 輸出觸點參數 | 1組轉換觸點 | 2組轉換觸點 |
| 小切換功率 | 500mW | |
| 輸出繼電器指示 | 紅色LED | |
| 機械壽命 | 1×107 | |
| 電壽命(阻性負載) | 1×105 | |
| 復位時間 | 200ms | |
| 工作環境溫度 | -20℃~+55℃ | |
| 存儲和運輸環境溫度 | -35℃ ~ +75℃ | |
| 安裝方式 | 35mm 卡軌安裝 | |
| 防護等級 | IP20 | |
| 安裝位置 | 任意 | |
| 安裝海拔高度 | ≤2000米 | |
| 污染等級 | 2 | |
| 接線能力 | 1×2.5mm2或2×1.5mm20.4N·m | |
| 外形尺寸 | 90mm×18mm×64mm | |
| 重量 | S240-53g,A230-55g | S240-66g,A230-69g |
| 符合標準 | GB/T14048.5,IEC60947-5-1,EN 61812-1 | |

GRT6-N擴展多功能型時間繼電器產品面板: |

時間設定方法 | |
![]() | 旋鈕1:延時檔位設定, s表示秒, m表示分, h表示小時, d表示天, ON表示繼電器動作(15-18/25-28閉合), OFF表示繼電器斷開(15-18/25-28斷開)。 |
![]() | 旋鈕2:延時時間細調,10%~100%可調。 |
延時時間=旋鈕1×旋鈕2。 例1:需要設定5秒,可將旋鈕1設為10s,旋鈕2設為50%,延時時間=10s×50%=5s。 例2:需要設定8分,可將旋鈕1設為10m,旋鈕2設為80%,延時時間=10m×80%=8m。 | |
GRT6-N擴展多功能型時間繼電器產品尺寸: |


GRT6-N擴展多功能型時間繼電器產品功能: |

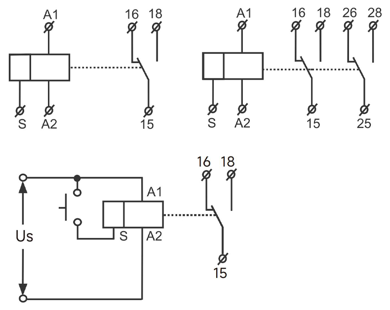
GRT6-N擴展多功能型時間繼電器產品接線: |

上一個:GYE低壓落地式儲能鋰電池
下一個:GYHVD-高壓堆疊儲能鋰電池
優惠券
我們的微信
13957717877
13957796089