產品介紹
咨詢服務熱線:13957717877
產品概述
資料下載
相關產品
相關資訊


GYR10N-40型剩余電流動作斷路器產品參數:
額定電流 | 6A,8A,10A,13A,16A,20A,25A,32A,40A |
額定電壓 | 240V(230V)~ |
額定頻率 | 50/60Hz |
Poles | 1P+N |
產品尺寸 | 18mm |
曲線類型 | B&C |
分斷能力 | 6KA |
額定剩余工作電流 | 10mA,30mA,100mA,300mA(類型:A&AC) |
工作溫度 | -25℃ to 40℃ |
端子擰緊力矩 | 1.2N-m2 |
終端容量(頂部) | 16mm2 |
終端容量(底部) | 16mm |
機電耐久性 | 4000 |
安裝尺寸 | 標準35mm導軌安裝 |
線路和負載可逆 | 合適的母線:PIN母線 |
GYR10N-40型剩余電流動作斷路器產品尺寸:


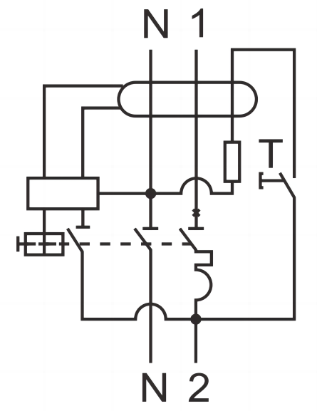
GYR10N-40型剩余電流動作斷路器接線圖:

GYR10N-40型剩余電流動作斷路器跳閘特性曲線:

上一個:快速接線端子
下一個:HGL-ST型高端款負荷隔離開關
優(yōu)惠券
我們的微信
13957717877
13957796089